伺服電機(jī)適配
步進電機適配
行星減速機型號大全(quán)
中空旋轉平台
精密直角行星換向器
直線模組
關節模組
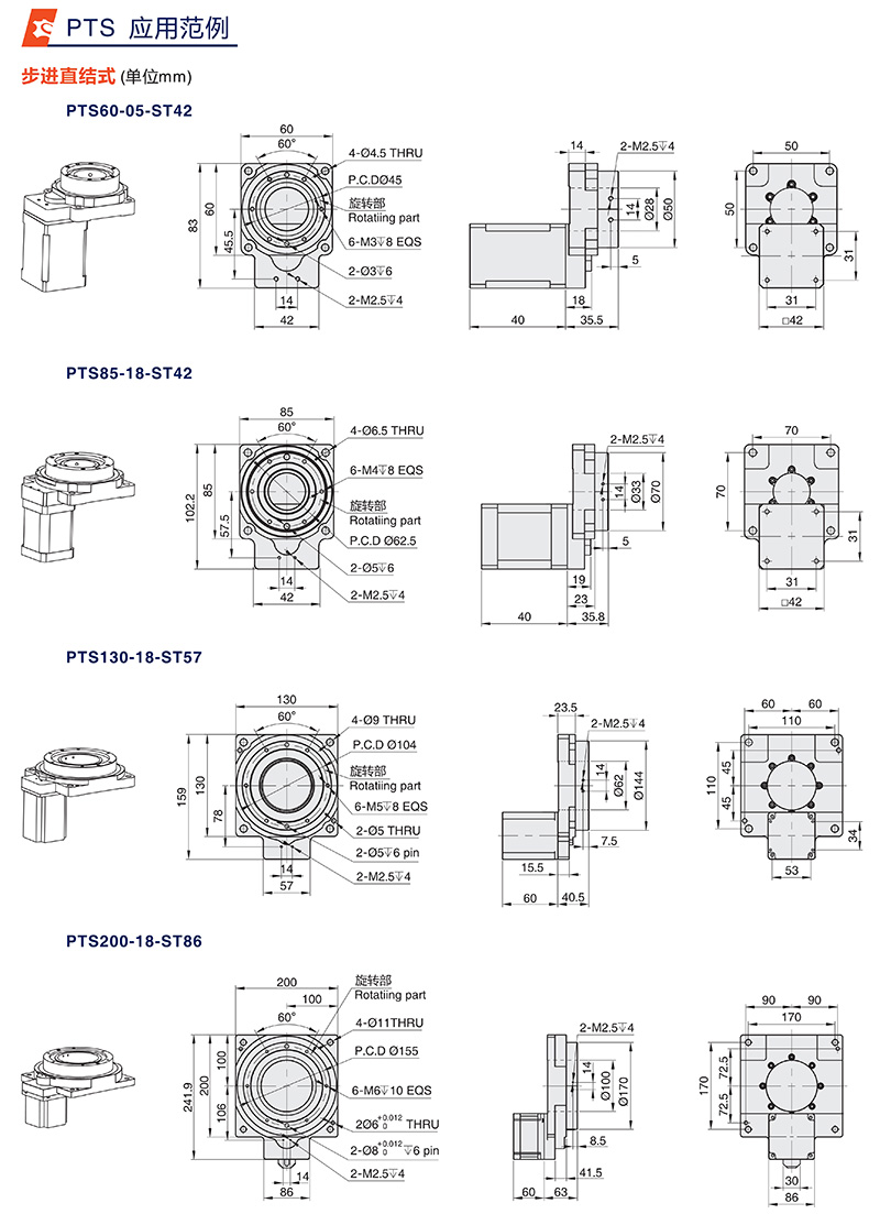
首頁 > 產品中心> 中空旋轉平台
首(shǒu)頁 > 產品中心> 中空旋轉平台
1、工作(zuò)物可直接鎖固,旋轉盤麵可直接鎖固工作物,提升工件裝(zhuāng)載之方便性。
2、配線方(fāng)便,此旋轉平(píng)台為中空式設計,無(wú)論是配線或配(pèi)管均方(fāng)便(biàn)。
3、高精度,定位精度小於1arcmin,重複精度可達±5arcsec。
4、運轉動作平穩,盤(pán)麵轉動平穩、順暢,且定位快(kuài)速。
速(sù)比範圍(wéi):60/85/130/200
馬達範圍:42/57/86(步進電機)
東莞基地:廣東省東莞市黃江鎮閩泰路1號愛合發工業科技園
QQ號碼:2853006285
聯係電話:400-660-1918
Copyright © 菠萝蜜免费视频智能傳動(廣東(dōng))有限公(gōng)司 粵ICP備15087361號 | 網站地圖
全網營銷服務商:創同盟
東莞基地:黃江鎮閩泰路1號101室
Copyright © 菠萝蜜免费视频智能傳動(廣東)有限公司 粵ICP備15087361號
全網營銷服務商(shāng):創同盟(méng)
掃描二維碼